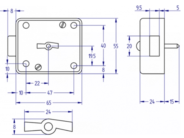
Cerradura de arrastre sencillo con 2 llaves de gorja de latón niquelado AGA-11G de 72mm, 49 de caña y paletón de 15,7mm, recorrido de palanca 11mm.
Dimensiones: 55x65mm, espesor 24mm.
Número de combinaciones: 357.
Posibilidad de igualamiento, pero no de amaestramiento.
Acabado zincado.

45,27 €
(impuestos inc.)
Referencia:
AGA244
Favorito0
AGA244
Ficha técnica
- Fabricante
- Aga
- MARCA - CERRADURAS
- Talleres Aga
- ACCESORIOS CAJA
- Cerraduras
- MARCA CERRADURAS CAJAS FUERTES
- Aga
- NORMATIVA CERRADURAS CAJAS FUERTES
- Sin norma
- NIVEL SEGURIDAD CERRADURAS CAJAS FUERTES
- Básico
- SISTEMAS CERRADURAS CAJAS FUERTES
- BLOQUEO
- TIPOS DE CERRADURAS CAJAS FUERTES
- MECÁNICAS DE LLAVE
- APLICACIONES CERRADURAS CAJAS FUERTES
- Cajas domesticas y oficina

